#

EV Charging Permit Design Services

In order to assist you obtain approvals for EV charging installations in homes, businesses, and public spaces, Sunspire Energy specializes in providing precise, efficient, and code-compliant EV charging permit design services. Our skilled engineering staff ensures that every design satisfies NEC, utility company, and local authority requirements, producing an EV charging system that is safe, effective, and prepared for the future.

Why Select Our Services for Designing EV Charging Permits?

We know your time is important for EV infrastructure projects. The reason we offer a complete permit design is that it will make your approvals easier and keep your project on schedule.

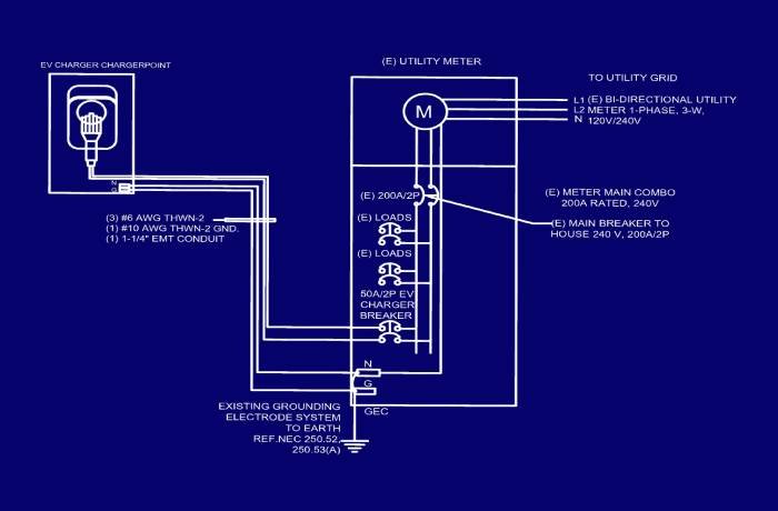
# # 01

100% Code-Compliant Designs

Engineered to meet local utility and AHJ requirements.

# # 02

Fast Turnaround Time

Get your permit design delivered the same day.

# # 03

Licensed Professional Engineers (PE Stamps)

Ensuring reliability and trust.

# # 04

Direct Interaction with Engineers

Real-time updates and transparent communication.

# # 05

Best Pricing Guaranteed

Affordable rates with no hidden revision charges.

# # 06

Comprehensive Quality Check

Every plan undergoes a detailed technical review before submission.

# # 07

Custom Templates

Tailored to your EV charger brand and project specifications.

# # 08

End-to-End Support

From design submission to final permit approval.

Detailed & Compliant EV Charging Permit Design

  • Permit Plan Sets & Site Layouts
  • Load Calculations & Single Line Diagrams (SLDs)
  • PE-Stamped Drawings (where required)
  • Shading Reports & Electrical Proposals

You may save expensive delays, rejections, and redesigns with a properly created design that guarantees:

  • Quicker local government approvals of permits
  • Safe and efficient installation
  • Smooth electrical integration
  • Infrastructure for scalable EV charging that is prepared for the future

Approve Your EV Charging Permit Quickly

Partner with Sunspire Energy to ensure your EV charging project stays on schedule, compliant, and future-ready.

#
#
#
#
Hurry Up!

Solar Permit Design Done Right: Fast, Reliable, and Cost-Effective

Apply for a first free service!